導讀:本文將就IM21-14-CDTRi 圖爾克轉速監控器接線示意圖及調試參數說明 進行詳細介紹。
產品型號:
IM21-14-CDTRi
產品接線示意圖:

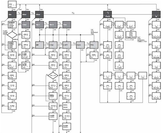
調試菜單結構圖:

接線端子定義:
19,20 連接供電電壓
1,2 連接兩線 NAMUR傳感器
3,4,5 連接三線 PNP傳感器
4,5 連接 5…30VDC 的外部信號源
6,7 將 NAMUR信號轉換成相對應的脈沖信號輸出
9,10 激活啟動延時功能
12,13 繼電器觸點輸出 R1
14,15 繼電器觸點輸出 R2
17,18 晶體管輸出
11,16 電流輸出 0/4…20mA 或 20...4/0mA
LED指示燈狀態說明:
Pwr 電源指示燈
綠色 供電正常
綠色閃爍 強制輸出模式
紅色 設備故障
R1 繼電器 1 開關狀態指示燈
黃色 繼電器勵磁,觸點吸合
R2 繼電器 2 開關狀態指示燈
黃色 繼電器勵磁,觸點吸合
T 晶體管開關狀態指示燈
黃色 晶體管導通
參數含義及設定方法:
使用產品前面板上的四個按鈕“ESC”、“CR”、 “↑”及“↓”可以對所有參數進行設定。
按下“ESC”按鈕,設備從正常工作狀態切換到參數設定狀態,顯示屏顯示主菜單。使用“↑”
和“↓”按鈕可以在主菜單間切換。當切換到需設定參數的主菜單時,按下“CR”按鈕可
進入相應的子菜單。在子菜單中使用“↑”和“↓”按鈕修改參數,當參數修改后,按下“CR”
鈕保存。當參數被修改時,屏幕顯示會閃爍,直到參數保存完畢。在參數修改過程中按下
“ESC”鈕,未保存的參數不作變動,系統跳轉到前一菜單。要退出參數設定模式,需按下
“ESC”按鈕。當設定參數時,當前參數的縮寫顯示在屏幕下方,正在修改的參數顯示在屏
幕的上方。斷電后,已保存的參數不會丟失。
更多參數含義,請咨詢




